项目概况:
使用单位:某钢铁企业
投运时间:2025年7月25日
改造对象:2×2000m³高炉3套高炉鼓风机
主电机:1#高炉鼓风机10kV/32000kW、2#高炉鼓风机10kV/30000kW、备用高炉鼓风机10kV/30000kW
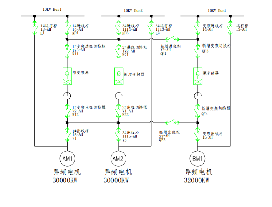
控制系统:一拖三变频软起动方案
变频器型号:SCHORCH-CH/17500-10/1000-AOW
采用的特有技术:1、超大功率同步并网。 2、200%大启动转矩矢量控制。3、大功率1拖3,自适应电机功率。
项目控制方案:

高炉鼓风机现场:

高炉鼓风机变频室现场:

联系我们
第一时间了解我们的新产品发布和最新的资讯文章。
啸驰电气股份有限公司生产基地位于四川省遂宁市。采用欧洲的先进技术和制造工艺,生产稳定可靠的变频调速装置。
您有什么问题或要求吗?
点击下面,我们很乐意提供帮助。 联系我们